• 三星NP-R467笔记本电脑不开机的故障维修

    一台三星NP-R467型笔记本,故障为通电时电源待机指示灯亮绿色,按开机键不能开机,拆除内存、硬盘、无线网卡等测试仍不开机且主板没有发出报错提示音。分析检修:开机测量待机电流为0.17A,比正常0.02A明显偏大,说明主板出现故障...

    姚龙生   2023-02-02

  • Acer EG31M电脑主板开机报错的故障检修

    一台Acer EG31M V1.1.1主板,开机出现提示“W arning! Your chassis has been opened(警告!你的机箱盖被打开过)! Press F1 to continue(按下F1键继续)”。检...

    孙承庭 刘飞   2023-01-19

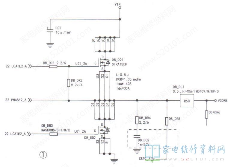
  • 技嘉GA-H61M-S1 R3.0主板不开机的故障维修

    一台采用技嘉GA-H61M-S1 R3.0主板的家用PC电脑,不开机。首先检查该机的ATXP4电源、CPU和DDR3内存条,均正常,目测主板上无明显异常。用万用表在路测量SO供电3/5V、内存主供电1.5V、总线供电1.05V、V...

    傅拾生   2022-07-14

  • 微星MS-7636主板开机掉电的故障维修检修

    接修一台式电脑主机,其主板采用微星MS-7636,故障现象为开机掉电。此故障的原因有主板缺少供电,PG信号不良,或BIOS模块异常等。目测主板正反面,无烧糊或氧化现象。上电后测量VCC_ DDR(内存主供电1.5V)、PCH 1P...

    周明武   2022-05-24

  • 技嘉GA-F2A88XM主板不显示的故障维修

    接修一块技嘉GA-F2A88XM电脑主板,上电后不显示。换用正常的ATXP4电源试机,故障依旧,由此确认主板有问题。用示波器检修,发现主板上无复位信号(APU RST)。依据AMD单桥标准时序要求,首先测量内存主供电DDR15V,...

    周明武   2022-05-20

  • 联想IH61MA电脑主板反复开机的故障维修

    接修一台台式电脑,采用联想IH61MA主板,开机后掉电,随后又自动开机,如此反复。上电后测试CPU电压和内存电压均正常,约1s后消失,过一会儿又上电,如此反复。上电检测MN28的D极(VR、 READY信号)电压,,瞬间有约3V,...

    周明武   2022-05-15

  • 网安工控机WA-7046主板进水后不开机的故障维修

    接修一台网安工控机(板号WA-7046),进水后不开机。拆机检查,主板上有明显进水痕迹。取出主板,外接12V稳压电源,待机时电流为0.041A,闭合开关后电流仍然为0.041A,主板上风扇也不转。上电测得南桥芯片的+V3.3V_RTC电压与RTC_ ...

    周工程   2022-04-23

  • 顶星F-A780L+主板不开机的故障维修

    接修一台组装电脑(采用顶星F-A780L+主板),上电后不开机。首先在路测量CPU_VDDIO_ SUS(内存主供电)、CPU_ VIT_SUS(内存负载供电)、+3.3V S0, +5V S0、VCC_11 (桥模块供电)、CPU_VDDR(锁相环...

    周明武   2022-04-23

  • 联想新圆梦H505台式电脑黑屏的故障维修

    接修一台联想新圆梦H505电脑,开机后风扇转,黑屏。该故障是此型电脑的通病,在长时间不用后,更易出现。一般来说,开机后屏上有一个减号光标闪动,通常是硬盘出现了问题,可以通过重做系统或者更换硬盘来修复;如果是屏上没有任何反应,完全黑...

    王静冬   2022-04-15

  • 一台采用ARM架构的安卓电脑不开机的故障维修

    最近维修一台采用ARM架构的安卓电脑,上电后不开机。取出主板,在路测量各供电端对地阻值,未发现问题。接下来上电测量各级供电与主要信号,其名称与测试点见表1。对照表1检查,未发现异常。 &n...

    周明武   2022-04-09

  • 希沃OPS电脑不显示的故障维修

    接修一台希沃OPS电脑模块,上电后按下"PWRSW(电源开/关)"键,机内风扇不转,屏上无显示。拆机,取出主板(板号:MT.INH310.HB43),用编程器重写BIOS数据,故障依旧。接下来外接可调电源,按下"PWRSW”键后整机电流仍为0...

    周明武   2022-04-06

  • 研华H61主板台式机电脑不触发的故障维修

    一台采用研华H61主板的台式电脑(板号:AIMB50KS),上电后不触发。先测量主板上ATX接口(20PIN)中的+3P3V、-12V、+5V、+5VA和+V12供电端对地阻值,均正常;测量钮扣电池(BAT1 )两端电压为3.3...

    周明武   2022-04-06

  • PC电脑主板常用英文标注对照表

    本图对照表记载常规电脑主板上的英文标记的缩写和所对应的中文含义,仅供参考。 ...

    李大磊   2022-04-04

  • 台式电脑不开机的故障检修过程

    一台用于路由解决方案的台式机电脑,上电后不开机。拆开机箱,目测箱内有明显进水迹象。取出主板,外接12V稳压电源,测得待机电流为0.041A,按开/关键后电流仍为0.041A,并且主板.上的风扇也不转。首先按照该主板的上电时序检查南桥的3.3V...

    周明武   2022-01-15

  • 技嘉GA-H110M-DS2主板不显示的故障维修

    一台家用台式电脑(主板板号为GA-H110M-DS2 ),按开/关键后不显示。拆机取出主板,外接ATX P4电源试机,仍不显示。测量主板各级供电,发现CPU vCORE(处理器核心供电)电压为0V。断电后,在路测量CPU VCOR...

    周明武   2022-01-14

  • 智慧交通验票电脑不开机的故障维修

    一台智慧交通验票电脑,上电后不开机。分析检修:外接可调电源试机,仍不开机。拆机取出主板,目测主板外观良好。在路测量主板上各供电电感的对地阻值无短路现象。该机主板采用AMD单U桥架构,其关键测试点见表1。相关电路如图1所示。上电后,...

    周明武   2022-01-09

  • 技嘉GA-H81M-S1主板不显示的故障维修

    一台台式电脑(板号:GA-H81M-S1),上电后不显示。拆机取出主板,外接ATX P4电源,按开/关键后测量主板.上各级供电均正常。根据经验,此故障的原因主要有以下四点:一是南桥上的25MHz晶体未起振,二是BIOS或SPI总线...

    周明武   2022-01-09

  • 微星MSI-H81-P33主板不开机的故障维修

    一台采用MSI-H81-P33主板的台式电脑,上电开机无任何反应。分析检修:测量主板上ATX接口JPWR1中的3.3V、5V及12V供电端的对地阻值,均正常,钮扣电池为3.1V,也正常。上电,测量主板上的3.3VSB.5VSB待机电压,均正常...

    周明武   2022-01-03

  • 采用GA-Z170-HD3主板的台式电脑不显示故障维修

    一台采用技嘉GA-Z170-HD3型主板的台式电脑,开机后不显示。分析检修:首先重新刷写BIOS数据,故障依旧。接下来测量主板上各级供电,发现VCCSA电压(管家供电,主要供给CPU外核)为0V,正常值应为1.05V。该电压形成电路如图1所示...

    周明武   2021-12-17

  • 技嘉GA-B75-D3V主板台式电脑不显示的故障维修

    一台采用GA-B75-D3V型主板的台式电脑,上电后不显示。上电开机,测得ATX电源接口⑯脚(PS-ON,外接绿线)电压为1.2V,明显异常。断电后,用万用表二极管挡测量⑯脚对地压降,发现仅有0.128V,而正常值约为0.33V。 ...

    周明武   2021-12-10