对于任何电器来说,彻底搞清楚它的工作原理,相对于维修来说,是很重要的。微波炉主回路供电部分以及其他的电路,就不说了,今天就说说这个闭门开关控制。刚一接触微波炉,我自己命名它为S3开关。

    如上图所示,当你关闭门,这个开关接通,打开门,开关断开,它由一根黑色线和一根黄色线连接到电脑控制板。

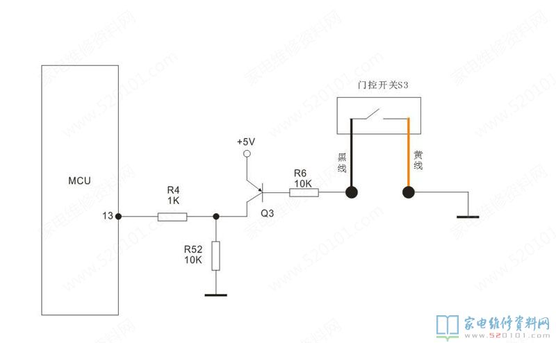
     经过一番查找,发现这个黑线和黄线是接通电路板两个点,但为什么要接通这两个点呢?观察发现,黑线点通过一个R6接一个名叫Q3的三极管的基极,黄线点接地。而Q3的C极通过一个R52接地,另一端通过一个R4接到MCU的13脚,而E极接电源。

      最后画一下电路图,应该是下图这样的,这下就很明白这个电路了:当门闭合时,带动S3触点闭合,Q3实际是一个PNP三极管,黑线和黄线通过R6,S3开关将Q3的基极拉低,Q3导通,将5v电压通过E-D送到MCU的13脚高电平,作为微波炉关门信号,这个13脚检测到这个电压,就认为门已经关好了。

      忘记说一点了,插上电源时14V电压通过R5,给Q3基极一个始终的高电平,Q3 B极如果不是低电平的话,是不导通的,这样微波炉不工作,这个开关很重要。