概述:LTC4313是一款可热插拔型、二线式总线缓冲器,LTC4313提供了双向缓冲并保持了一个低偏移电压和高噪声裕度 (在高达 0.3 • VCC 的电压下)。高噪声裕度使 LTC4313 能够与用于驱动一个高 VOL (>0.4V) 的设备实现互操作,并允许把多个 LTC4313 级联起来使用。LTC4313-1 和 LTC4313-2 支持 3.3V 和 5V 总线之间的电平转换。除了这些电压之外,LTC4313-3 还支持至 1.5V、1.8V 和 2.5V 的电平转换。
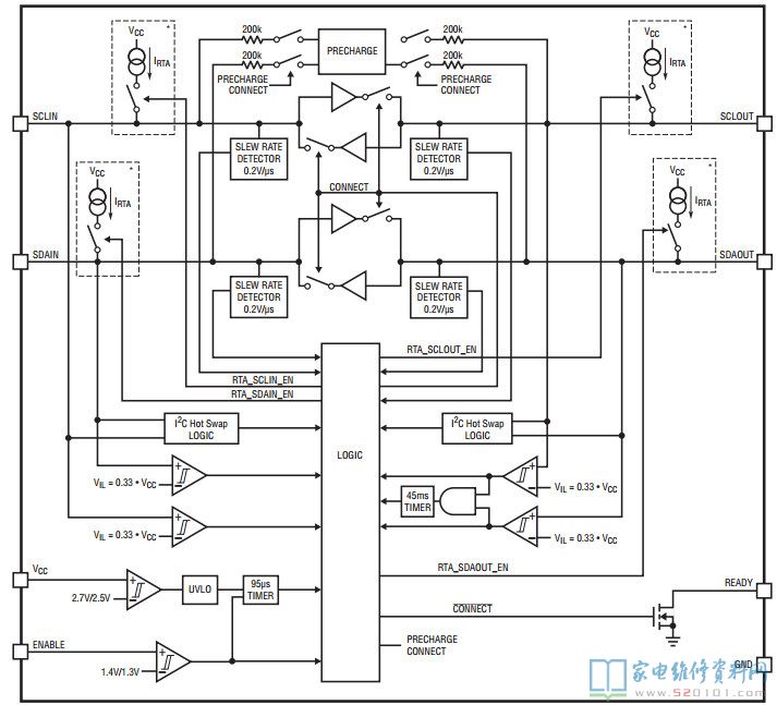
         在插入操作期间,SDA 和 SCL 线被预先充电至 1V 以最大限度地抑制总线扰动。在 ENABLE 被确定为高电平并在 SDA 和 SCL 引脚上检测到一个停止位或总线空闲情况之后,在输入与输出之间建立连接。

         如果数据和时钟在 45ms 时间里至少有一次不是同时处于高电平,则将输入与输出断接。随后产生多达 16 个时钟脉冲,用于释放阻塞总线。上升时间加速器 (RTA) 在 SDA 和 SCL 上升沿提供上拉电流,以满足重负载系统中的上升时间规格要求。RTA 被配置为转换速率受限的开关 (在 LTC4313-1 中) 和 2.5mA 电流源 (在 LTC4313-2 中)。LTC4313-3 不具备 RTA。


一、LTC4313功能和特性

* 双向缓冲器增加了扇出数
* 高噪声裕度 (VIL = 0.3 ? VCC)
* 可与用于驱动一个高 VOL 的非 I2C 型设备兼容
* 强大 (LTC4313-1) 和 2.5mA (LTC4313-2) 上升时间加速器电流
* 电平移位 1.5V、1.8V、2.5V、3.3V 和 5V 总线
* 在电路板于背板上进行带电插拔操作时可防止 SDA 和 SCL 线受损
* 阻塞总线断接和恢复
* 阻塞总线断接和恢复
* ±4kV 人体模型 (HBM) ESD 坚固性
* 未通电时 SDA、SCL 引脚呈高阻抗
* 8 引脚 MSOP 和 8 引脚 (3mm x 3mm) DFN 封装


二、LTC4313引脚功能


三、LTC4313内部方框图


四、LTC4313典型应用电路