概述:FAN7710是美国飞兆半导体公司推出的一款紧凑型荧光灯(CFL)和直管型荧光灯(TL)电子镇流器控制器,它集成了频率可编程振荡器、灯丝预热控制电路、死区时间(即高/低端驱动信号之间的非交迭时间,旨在防止半桥高/低端MOSFET同时导通)控制电路、自适应零电压开关(ZVS)控制器、高/低端MOSFET栅极驱动器和高/低端功率MOSFET等。其中,每个功率MOSFET的耐压达440V以上,导通态电阻RON典型值是4.6Ω(@VGS=10V,ID=190mA)。MOSFET漏-源极之间续流二极管正向压降≤1.4V(@380mA),正向电流为380mA(正向脉冲电流达3.04A)。他采用8引脚DIP封装,工作温度范围从-25℃到125℃。FAN7710芯片不仅含有控制电路和600V的半桥驱动器,而且嵌入了作为开关使用的550V/6.5Ω的两个功率MOS-FET。

      FAN7710V的启动电流仅约150μA,工作电流约2.6mA,在220V的AC电压下能输出20W的功率。这种控制IC的VDD启动门限为13.4V,欠压关闭门限是11.6V,内部齐纳二极管的箝位电压是15V。FAN7710V的预热时间、预热频率和正常操作运行频率均可由外部阻容元件设定,并提供有源ZVS控制和过温度及灯开路保护。


一、FAN7710引脚功能


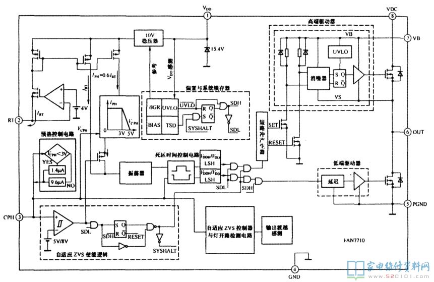
二、FAN7710内部方框图

FAN7710芯片集成了控制电路、半桥驱动器和两个功率MOSFET。如上图所示,其中,控制电路主要含有振荡器、预热控制电路、死区时间控制电路、自适应零电压开关(ZVS)控制器、灯开路检测电路以及高、低端驱动器等。


三、FAN7710典型应用电路